UCFCX

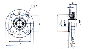
Unit No. | Shaft Dia d | Boundary Dimensions(mm) | Bolt Size | Bearing No. | Housing | ||||||||||||||
Housing No. | Mass (kg) | ||||||||||||||||||
| (in) | (mm) | a | p | e | i | s | j | k | g | f | z | Bi | n | (mm) | (in) | ||||
| UCFCX05-16 | 1 | 111 | 92 | 65 | 10 | 10 | 6 | 10 | 24 | 76 | 32.2 | 38.1 | 15.9 | M8 | 5/16. | UCX05-16 | FCX05 | 1.1 | |
| UCFCX05 | 25 | UCX05 | |||||||||||||||||
| UCFCX06-19 | 1-3/16. | 127 | 105 | 74 | 8 | 12 | 10 | 10 | 23 | 85 | 33.4 | 42.9 | 17.5 | M10 | 3/8. | UCX06-19 | FCX06 | 1.4 | |
| UCFCX06-20 | 1-1/4. | UCX06-20 | |||||||||||||||||
| UCFCX06 | 30 | UCX06 | |||||||||||||||||
| UCFCX07-22 | 1-3/8. | 133 | 111 | 79 | 9 | 12 | 11 | 11 | 26 | 92 | 39.2 | 49.2 | 19 | M10 | 3/8. | UCX07-22 | FCX07 | 1.8 | |
| UCFCX07-23 | 1-7/16. | UCX07-23 | |||||||||||||||||
| UCFCX07 | 35 | UCX07 | |||||||||||||||||
| UCFCX08-24 | 1-1/2. | 133 | 111 | 79 | 9 | 12 | 11 | 11 | 26 | 92 | 39.2 | 49.2 | 19 | M10 | 3/8. | UCX08-24 | FCX08 | 1.8 | |
| UCFCX08 | 40 | UCX08 | |||||||||||||||||
| UCFCX09-26 | 1-5/8. | 155 | 130 | 92 | 8 | 14 | 12 | 11 | 25 | 108 | 40.6 | 51.6 | 19 | M12 | 7/16. | UCX09-26 | FCX09 | 2.5 | |
| UCFCX09-27 | 1-11/16. | UCX09-27 | |||||||||||||||||
| UCFCX09-28 | 1-3/4. | UCX09-28 | |||||||||||||||||
| UCFCX09 | 45 | UCX09 | |||||||||||||||||
| UCFCX10-31 | 1-15/16 | 162 | 136 | 96 | 7 | 14 | 16 | 11 | 25 | 118 | 40.4 | 55.6 | 22.2 | M12 | 7/16. | UCX10-31 | FCX10 | 3 | |
| UCFCX10-32 | 2 | UCX10-32 | |||||||||||||||||
| UCFCX10 | 50 | UCX10 | |||||||||||||||||
| UCFCX11-35 | 2-3/16. | 180 | 152 | 108 | 4 | 16 | 22 | 13 | 26 | 127 | 43.7 | 65.1 | 25.4 | M14 | 1/2. | UCX11-35 | FCX11 | 4.1 | |
| UCFCX11-36 | 2-1/4. | UCX11-36 | |||||||||||||||||
| UCFCX11 | 55 | UCX11 | |||||||||||||||||
| UCFCX12-38 | 2-3/8. | 194 | 165 | 117 | 11 | 16 | 20 | 14 | 33 | 140 | 50.7 | 75.1 | 25.4 | M14 | 1/2. | UCX12-38 | FCX12 | 4.7 | |
| UCFCX12-39 | 2-7/16. | UCX12-39 | |||||||||||||||||
| UCFCX12 | 60 | UCX12 | |||||||||||||||||
| UCFCX13-40 | 2-1/2. | 194 | 165 | 117 | 11 | 16 | 20 | 14 | 33 | 140 | 55.4 | 74.6 | 30.2 | M14 | 1/2. | UCX13-40 | FCX13 | 5 | |
| UCFCX13 | 65 | UCX13 | |||||||||||||||||
| UCFCX14-44 | 2-3/4. | 222 | 190 | 134 | 14 | 19 | 20 | 14 | 36 | 164 | 58.5 | 77.8 | 33.3 | M16 | 5/8. | UCX14-44 | FCX14 | 7.4 | |
| UCFCX14 | 70 | UCX14 | |||||||||||||||||
| UCFCX15-47 | 2-15/16 | 222 | 190 | 134 | 12 | 19 | 22 | 16 | 35 | 164 | 61.3 | 82.6 | 33.3 | M16 | 5/8. | UCX15-47 | FCX15 | 7.5 | |
| UCFCX15-48 | 3 | UCX15-48 | |||||||||||||||||
| UCFCX15 | 75 | UCX15 | |||||||||||||||||
| UCFCX16-50 | 3-1/4. | 260 | 219 | 155 | 10 | 23 | 25 | 19 | 36 | 186 | 61.6 | 85.7 | 34.1 | M20 | 3/4. | UCX16-50 | FCX16 | 11.7 | |
| UCFCX16 | 80 | UCX16 | |||||||||||||||||
| UCFCX17-55 | 3-7/16. | 260 | 219 | 155 | 10 | 23 | 25 | 19 | 36 | 186 | 66.3 | 96 | 39.7 | M20 | 3/4. | UCX17-55 | FCX17 | 11.3 | |
| UCFCX17 | 85 | UCX17 | |||||||||||||||||
| UCFCX18 | 90 | 260 | 219 | 155 | 12 | 23 | 28 | 19 | 43 | 186 | 73.1 | 104 | 42.9 | M20 | 3/4. | UCX18 | FCX18 | 11.4 | |
| UCFCX20 | 100 | 276 | 238 | 168 | 22 | 23 | 28 | 22 | 66 | 206 | 90.3 | 118 | 49.2 | M20 | 3/4. | UCX20 | FCX20 | 16.1 | |
Plain Bearings & Rod Ends
Ball Bearings
Plumer Blocks
- SN200
- SN300
- SN500
- SN600
- SN3000
- SNU500
- 1500
- 722500
- S3000K
- Z2500Y
- Z2600Y
- SD500
- SD3000
- SD3100
- GZ4-130-400
- GZ2-72-260
- GZQ4-130-400
- GZQ2-72-260
- H2000
- H4000
Pillow Block Bearings
- Chrome Steel Insert Bearing
- Stainless Steel Insert Bearing
- Cast Iron Housing Units
- Stainless Steel Housing Units
- Plastic Housing Units
- Pressed Housing Units
Cam Followers
Needle-Roller Bearings & Clutches
Trust Bearings
Tapered Roller Bearings
Spherical Roller Bearings
Cylindrical Roller Bearings
Linear Bearings & Shafting
Adapter Sleeves

